Hi I’ve purchased the Thermo Pro 90 wiring harness 9030666a from you but don’t know how to wire it in? Any help would be greatful as to which colour wires go into positive / Negative. Thanks Matt

Question

Hi I’ve purchased the Thermo Pro 90 wiring harness 9030666a from you but don’t know how to wire it in? Any help would be greatful as to which colour wires go into positive / Negative. Thanks Matt

This question is related to Switch Harness - Thermo Pro 90 | 9030666 | 9024909.

View product

Answers (1)

Answered by Butler Technik's David Butler
Posted 30th September, 2025 at 12:26 by David Butler

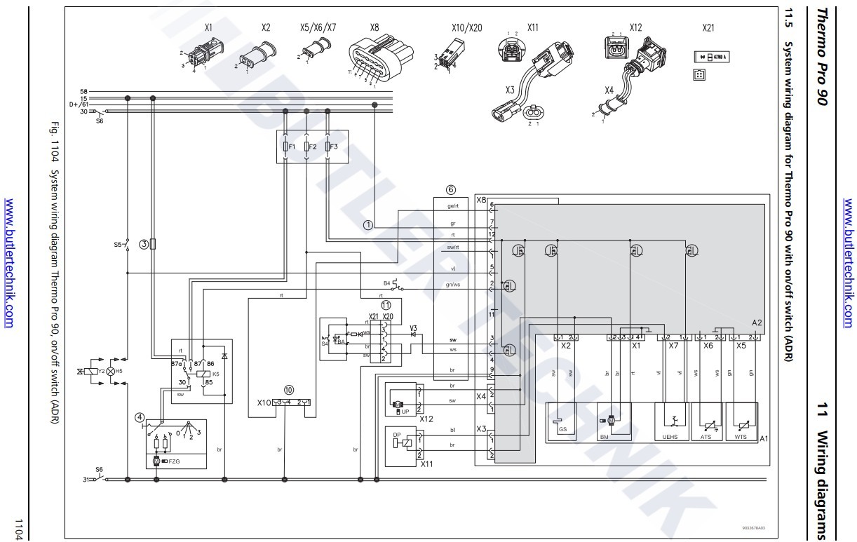
hello, is this for a new Webasto Thermo Pro 90 heater installation? do you have any existing wiring? Which controller do you have? Please review link to workshop manual below, circuit diagrams section 11, as a starting point and let me know what you think. A basic diagram with an ON/OFF please see attached

Battery negative is always Brown

Battery positive is generally Red

https://www.butlertechnik.com/downloads/cms/7431/webasto-thermo-pro-90-workshop-repair-service-manual.pdf

Attachments:

Click on an attachment to open in a new window.

Post a reply

Your name may be viewable as contributor - please leave blank if you wish to remain anonymous.

Please read our privacy policy for more information about how we protect your personal data.